Index of /strowger/555

 NameLast modifiedSizeDescription

 Parent Directory  -  
 167-440-201-i06_1978-04-0b-555-power-supply-unit-19A1-19C1-20A1-20C1.pdf2020-11-15 21:18 623K 
 204A-B-555-cord-ckt-bank-strip-spade-connector.png2026-03-07 12:18 184K 
 348-204-1.png2026-03-07 12:17 338K 
 348-204-2.png2026-03-07 12:17 216K 
 348-204-3.png2026-03-07 12:17 77K 
 348-204-4.png2026-03-07 12:17 113K 
 348-204-pinout.png2026-03-07 12:17 20K 
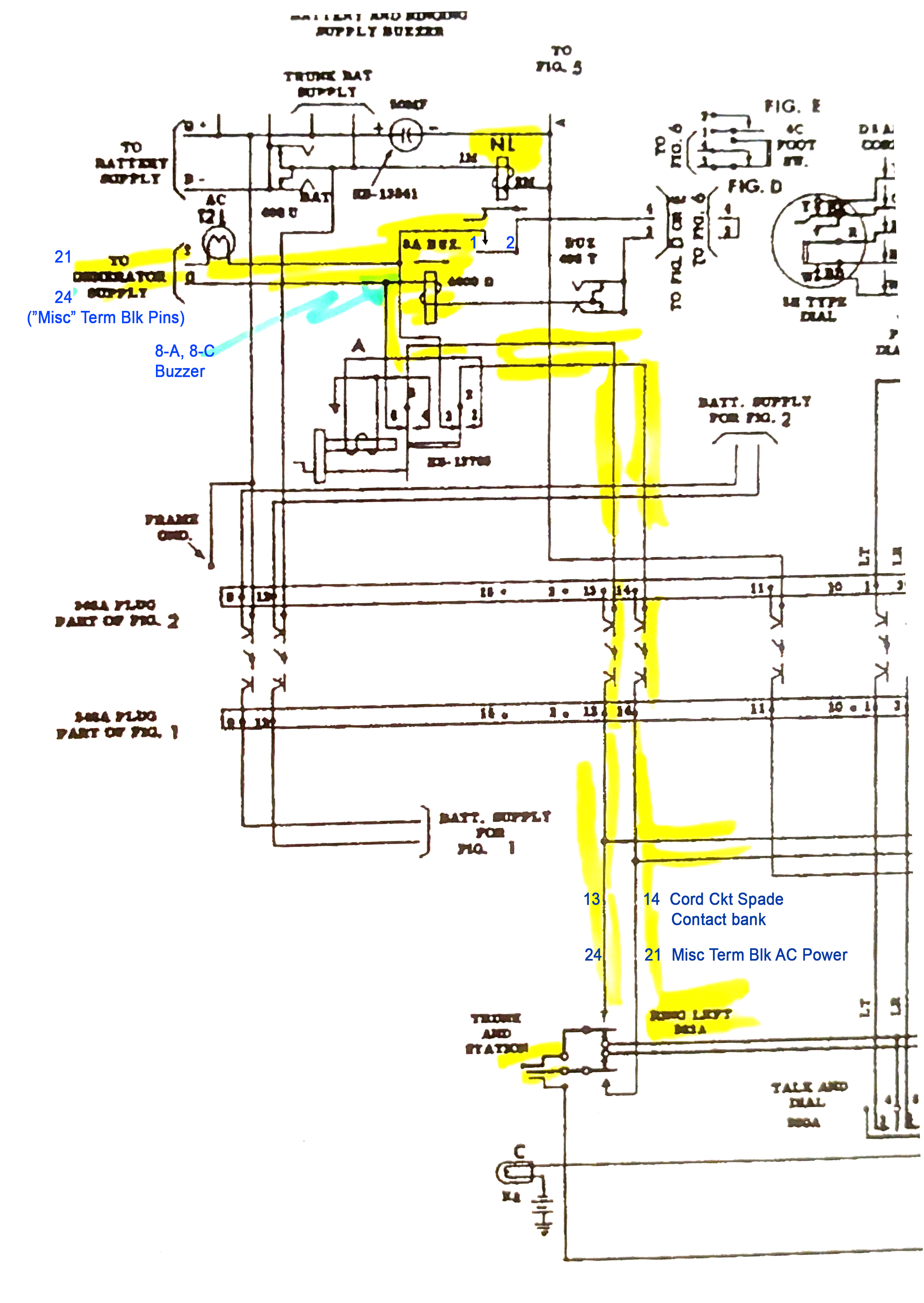
 555-AC-cord-ckt-path-2.png2025-12-24 11:49 796K 
 555-AC-path-1.png2025-12-24 11:49 23K 
 555-OperatorManual.pdf2020-01-27 15:08 2.0M 
 555-PBX(66420)-Central-Office-Trunk-Ckt-annotated-.png2025-12-11 16:07 60K 
 555-PBX-Central-Office-Trunk-Ckt-add-relay-to-maintain-lamp-during-ringing.png2026-02-20 14:54 71K 
 555-PBX-Central-Office-Trunk-Ckt-annotated.pdf2025-12-09 12:26 198K 
 555-PBX-cord-Circuit-Debugging.html2026-03-14 17:02 6.4K 
 555-PBX-general-description-536-550-110.pdf2020-01-27 14:59 2.2M 
 555-PBX-state-chart-for-Cord-Circuits.pdf2026-01-17 12:09 166K 
 555-PBX-Switchboard-503-620-400-Station-Line-Circuit-Fig-5-Schematic.png2025-12-28 12:10 18K 
 555-PBX-Switchboard-503-620-400.pdf2020-01-27 15:08 5.6M 
 555 PBX attendant test & setup 536-490-507_I3.pdf2026-01-13 11:17 154K 
 555 PBX Central Office Trunk Ckt add relay to maintain lamp during ringing.pdf2026-02-20 14:54 384K 
 555 PBX cord circuits manual tests 536-490-525_I3.pdf2026-01-13 12:17 210K 
 555 PBX Station Line Circuit Modified for FXS PLAR & outbound-trunk usage.pdf2025-12-09 12:26 277K 
 555 PBX Switchboard 503-620-400-4 (66520 related) clarified schematic.pdf2025-12-09 12:26 447K 
 555 PBX switchboard test & setup 536-550-230.pdf2026-01-13 11:08 174K 
 B823.105_I1_Apr52_555_PBX_Description.pdf2025-12-09 12:26 1.3M 
 BSP_B823.105_we_555_pbx_description.pdf2026-01-12 13:58 1.3M 
 BSP_B823_105_we_555_pbx_description.pdf2020-01-27 15:08 1.3M 
 CK-SD-66520-01-i07.1-555PBX.pdf2026-01-17 11:52 87K 
 connectors, 204A 204B, 1, 1951-02-26, 3 spade connector bank for cord circuits in 555.pdf2026-01-12 13:58 604K 
 cord-circuit-debugging-1.png2026-03-07 12:27 5.7M 
 cord-circuit-debugging-2.png2026-03-07 12:27 2.8M 
 CS-SD-66520-01-i07-555PBX.pdf2026-01-17 11:52 65K 
 Draft_Western Electric 555 PBX Switchboard - Wikipedia.pdf2026-01-07 11:58 245K 
 FXO FXS abstracted diagrams.pdf2026-03-13 18:17 265K 
 GTE_Sec57_Part_505_Sep59_555_PBX_SwitchboardCircuitDescription_Schematics.pdf2021-07-12 16:05 717K 
 outgoing trunk repeater circuit - SELECTOR version WS2022.pdf2026-01-05 15:19 35K 
 SD-66520-01_bc-555-PBX-switchboard.pdf2021-07-12 16:03 791K 
 SK-555PBX-Trunk-Fig9-i05-detached-contact-schematic.pdf2025-12-09 12:24 25K 
 station-lamp-NL-path-with-Attendant-Signal-Tone-injected.png2026-01-29 18:42 31K 
 TM-555 PBX attendant telephone set-101-i04.pdf2026-01-31 18:18 218K 
 WE-555-PBX-66520-66521-66255 four schematics cord-position-telephone-trunk.pdf2025-11-19 13:12 5.6M 
 WE-555-PBX-Switchboard-503-620-400-4-(66520-related)-clarified-schematic.pdf2025-11-25 13:34 447K 
 WE 555 PBX 66520 66521 four schematics cord-position-telephone-trunk_Page_1.png2025-11-19 13:40 7.1M 
 WE 555 PBX 66520 66521 four schematics cord-position-telephone-trunk_Page_2.png2025-11-19 13:40 6.6M 
 WE 555 PBX 66520 66521 four schematics cord-position-telephone-trunk_Page_3.png2025-11-19 13:40 12M 
 WE 555 PBX 66520 66521 four schematics cord-position-telephone-trunk_Page_4.png2025-11-19 13:40 7.9M